北京泰和安消防主機維修
聯系我們
- 聯系人:郭經理
- 傳真:010-69552656
- 電話:400-0346-119
- 電話:010-57113119
- 郵箱:506665119@qq.com
- 地址:北京通州區新華北路117號
北京消防改造網專門從事消防工程安裝服務(消防設計、消防工程安裝、北京消防、北京消防公司、北京消防工程、北京消防安裝等相關業務),火災自動報警系統、自動噴灑系統、消火栓系統、氣體滅火系統、消防泵系統等自動消防系統的銷售、施工、安裝、維護及技術服務。消防改造是消防工程的一部分,是現代建筑中不可缺少的一套安全防患系統,尤其是在高層建筑的室內基本設備中,常用于檢測室內火警、自動滅火、協助人員疏散,為用戶提供安全的居住及辦公環境。
此外,24小時免付費消防工程改造服務熱線,專業工程師免費上門設計指導,為您提供良好的服務,歡迎有需要的朋友前來咨詢消防改造相關事宜。
作為專業的北京消防改造公司,我們始終致力于打造中國專業的消防工程改造、水噴淋改造企業。針對住宅小區底商、商務辦公樓、商場、餐飲娛樂、工廠車間等行業的精裝修工程,我公司專 門推出了消防改造服務。本服務包含精裝修中所涉及到的一切消防事宜,如:消防圖紙設計、蓋章;報建審、開工、消防改造施工、消防設施及電氣防火檢測、報驗收、報開業前檢查等。我公司可提供一條龍服務,免去了客戶因不熟悉消防報審、報驗手續來回奔波之苦。
北京泰和安消防主機維修電話:4000-346-119
泰和安消防設備技術資訊
- 泰和安JTFB-GOF-TX6122火災探測器安裝方式
- 泰和安HY5723D廣播控制盤/MP3接線端子說明
- 泰和安TX6622型CAN總線中繼器安裝與布線
- 泰和安TX3503總線操作盤布線要求
- 泰和安TX3502總線操作盤布線要求
- 泰和安火災報警控制器火災報警監管報警怎么處理
- 泰和安主機聲光警報輸出口故障報警處理方法
- 泰和安LA1930編碼器的技術指標
- 泰和安LA1930編碼器的特點
- 泰和安輸入輸出模塊常見故障及處理方法
- 泰和安JB-QTL-TX3016A火災報警控制器外部接線端子說明
- 泰和安JB-QGL-TX3016A火災報警控制器外部接線端子
- 泰和安TX3217中繼模塊接線圖
- 泰和安TX3209輸入/輸出模塊接線示意圖
- 泰和安TX3214輸出模塊接線圖
- 泰和安TX3208輸入輸出模塊接線圖
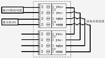
- 泰和安TX3200輸入模塊接線圖
- 泰和安消防TX3208A模塊常見接線方式
- 泰和安TX3016火災報警控制器常見故障分析及解決方法




